• Sign Up! To view all forums and unlock additional cool features

    Welcome to the #1 Dodge, Jeep and RAM Forum dedicated to FCA owners and enthusiasts. Register for an account, it's free and it's easy, so don't hesitate to join the SRT Forum today!


IC Chiller install & review

rookerrobert

Active Member
Member ID
#8615
Messages
453
Reactions
327
Likes
37
City
Ridgeland
State
SC
Country
United States
Vehicle
2016 hellcat A8 and 2016 M6
Where in the world would you find a adapter/reducer to go from the radiator hose down to 3/4 on 2 sides? Of course you have have really 2 reducers except the other would a straight coming from the bypass valve. Would it just be easier to just use the drag valve and do away with the 3way? I do use my a/c much anyway on the street I like hearing my car so the windows stay down most the time....lol unless I get caught in some rain.
 


OP
U

Unholy707

8000 Posts Club
9 Second Best E/T
HFCOTM
Member ID
#11903
Messages
8,585
Reactions
7,551
Likes
402
City
Orlando
State
FL
Country
United States
Vehicle
2015 Dodge Challenger Hellcat
Thread Starter #322
The hose is 3/4 dude, you’re not touching your radiator hose
 


rookerrobert

Active Member
Member ID
#8615
Messages
453
Reactions
327
Likes
37
City
Ridgeland
State
SC
Country
United States
Vehicle
2016 hellcat A8 and 2016 M6
the yellow is the radiator correct? what am I missing? I didnt think it would involve the radiator/hx
 


Attachments

2ndgen

Active Member
Member ID
#1309
Messages
415
Reactions
661
Likes
67
City
Orem
State
UT
Country
United States
Vehicle
2017 Challenger Hellcat
You can also plumb it so that the factory HX is in line with the rest when not bypassed, rather than an XOR.
 


rookerrobert

Active Member
Member ID
#8615
Messages
453
Reactions
327
Likes
37
City
Ridgeland
State
SC
Country
United States
Vehicle
2016 hellcat A8 and 2016 M6
lol....guys y'all got to help me out with all these abbreviation's (XOR)?
 


2ndgen

Active Member
Member ID
#1309
Messages
415
Reactions
661
Likes
67
City
Orem
State
UT
Country
United States
Vehicle
2017 Challenger Hellcat
XOR = exclusive or. one or the other.
 


2ndgen

Active Member
Member ID
#1309
Messages
415
Reactions
661
Likes
67
City
Orem
State
UT
Country
United States
Vehicle
2017 Challenger Hellcat
Here are some plumbing options:

Code:
Factory/stock loop setup is:
SC_hot -> pump -> aux_HX -> HX -> SC_cold

HX is inline with everything, or bypassed, HX flow reversed:
SC_hot -> (3-way/T)--> bypass ---> (3-way/T) -> pump -> IC_Brick -> tank -> SC_cold
                  \--> HX ------/

HX is inline with everything, or bypassed, stock HX flow direction:
SC_hot -> pump -> IC_Brick -> tank -> (3-way/T)--> bypass ---> (3-way/T) -> SC_cold
                                              \--> HX ------/

HX and IC Brick are XOR, tank is always in flow, stock HX flow direction:
SC_hot -> pump -> (3-way/T)--> IC_Brick --> (3-way/T) -> tank -> SC_cold
                          \--> HX -------/

HX and IC Brick plus tank are XOR, stock HX flow direction:
SC_hot -> pump -> (3-way/T)--> IC_Brick -> tank --> (3-way/T) -> SC_cold
                          \--> HX ---------------/
Of course, by changing where you route lines you can reverse the flow through the factory HX if you want or preserve the stock flow direction.

Failure modes to consider would be, what happens if:
  • the 3-way valve fails
  • you forget to use the 3-way valve switch, and/or
  • you forget to turn on the A/C
Depending on how you plumb things, it can be possible that:
  • If the default valve position is bypass and you forget to turn on the A/C then the SC will get no cooling whatsoever.
  • If the default valve position is non-bypass (HX) the SC will at least get ambient HX cooling--unless you remember to hit the bypass switch but also forget to turn on the A/C (less likely to remember just one and not both).
If you put the chiller brick in the bypass leg, then remembering to turn on the A/C but forgetting to not bypass will result in getting ambient HX cooling.

If you leave the chiller brick always in the flow then remembering to turn on the A/C but forgetting to not bypass will result in getting chiller cooling, but not maximal (the ambient HX will become a relative heat source)--still better than no cooling at all, and still better than just ambient HX cooling.
 


Last edited:
OP
U

Unholy707

8000 Posts Club
9 Second Best E/T
HFCOTM
Member ID
#11903
Messages
8,585
Reactions
7,551
Likes
402
City
Orlando
State
FL
Country
United States
Vehicle
2015 Dodge Challenger Hellcat
Thread Starter #328
My chiller is always inline and I have it to through heat exhanger unless I hit the bypass switch. Have a/c on 99% of the time so not an issue. Correct, it can go through both but you’ll get ambient. Just chiller and you’ll get down into the 40s. Just chiller and drag valve you’ll get into the 20s (that’s what I do, no aux tank). Remember, the more coolant you have the longer it’ll take to chill it.
 


rookerrobert

Active Member
Member ID
#8615
Messages
453
Reactions
327
Likes
37
City
Ridgeland
State
SC
Country
United States
Vehicle
2016 hellcat A8 and 2016 M6
damn!!! well I did ask thanks... I sure hate getting older and not being able to remember.My youngest son is 46 but he's not into this like I am. I print out all the ways and come up with something
 


OP
U

Unholy707

8000 Posts Club
9 Second Best E/T
HFCOTM
Member ID
#11903
Messages
8,585
Reactions
7,551
Likes
402
City
Orlando
State
FL
Country
United States
Vehicle
2015 Dodge Challenger Hellcat
Thread Starter #330
I'm in the same state of mind as rookerrobert.

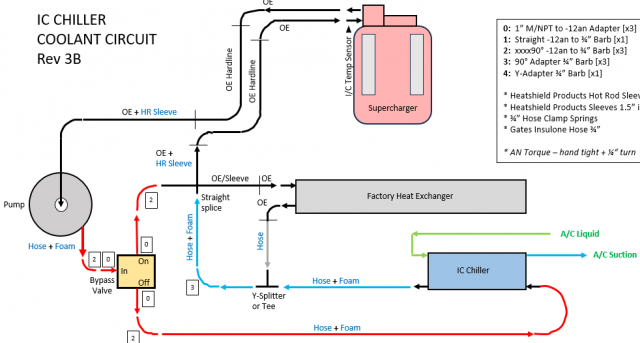
I'm going to plumb my setup the same way. It will either run through the oe exchanger OR the chiller. I don't think I'll do the refrigerant valve on the chiller side. Yet. My thought process is if I do need max a/c, I can put the 3-way to run only the oe exchanger. Since no coolant will be flowing through the chiller, it will reach superheat (or supercooling?) quickly, and start closing off the chiller txv, leaving more cooling power for cabin a/c. Chiller won't freeze over, so no worries of the chiller slugging the compressor? This is my sketch, adapted for trackhawk and no aux tank.

View attachment 148621
Not sure I’ve seen this diagram before, where did you get it and how old is it?
 


fubar569

1000 Posts Club
Founding Member
9 Second Best E/T
Member ID
#1073
Messages
1,419
Reactions
2,080
Likes
162
City
Bradford
State
PA
Country
United States
Vehicle
2018 Charger Hellcat
Not sure I’ve seen this diagram before, where did you get it and how old is it?
That appears to be the much cleaner, well drawn up and semi-official version of how mine was set up by allpar garage.

Told y'all I sucked at paint & photoshop. Lol
 


OP
U

Unholy707

8000 Posts Club
9 Second Best E/T
HFCOTM
Member ID
#11903
Messages
8,585
Reactions
7,551
Likes
402
City
Orlando
State
FL
Country
United States
Vehicle
2015 Dodge Challenger Hellcat
Thread Starter #332
I feel like having the chiller in the circuit all the time acts as a heater when going through the heat exchanger, or maybe just not as cool as it was with that man hx and the aux hx, since I removed the aux one. Not that it matters
 


rookerrobert

Active Member
Member ID
#8615
Messages
453
Reactions
327
Likes
37
City
Ridgeland
State
SC
Country
United States
Vehicle
2016 hellcat A8 and 2016 M6
if I was to go this route where would the aux.tank be patched in?
 


Attachments

Member ID
#22798
Messages
13
Reactions
9
Likes
2
City
Katy
State
TX
Country
United States
Vehicle
2018 Trackhawk
Not sure I’ve seen this diagram before, where did you get it and how old is it?
That appears to be the much cleaner, well drawn up and semi-official version of how mine was set up by allpar garage.

Told y'all I sucked at paint & photoshop. Lol
Sorry, that drawing is not an official IC Chiller layout. Just me trying to make sure I plan my install properly.

Fubar, glad to hear your layout is like this! Any complaints with cabin temps?
 


Member ID
#22798
Messages
13
Reactions
9
Likes
2
City
Katy
State
TX
Country
United States
Vehicle
2018 Trackhawk
if I was to go this route where would the aux.tank be patched in?
The same as in your sketch. My diagram will work just like yours. Either oe exchanger OR chiller. In your case, oe exchanger OR chiller+aux tank.
 


fubar569

1000 Posts Club
Founding Member
9 Second Best E/T
Member ID
#1073
Messages
1,419
Reactions
2,080
Likes
162
City
Bradford
State
PA
Country
United States
Vehicle
2018 Charger Hellcat
Sorry, that drawing is not an official IC Chiller layout. Just me trying to make sure I plan my install properly.

Fubar, glad to hear your layout is like this! Any complaints with cabin temps?
Cabin temps for the most part seem to be unaffected. I think my overall AC system performance has been compromised by the fact that I have an improper refrigerant charge as a result of losing it at the track at the end of 2023. My redneck driveway repair got it functioning again but the system could definitely use a deep vacuum and proper weighted charge.

I want to say the proper recommendation is in this thread a few pages back. It's not all that much more than stock.

EDIT: I am a pinecone.
 


Last edited:
OP
U

Unholy707

8000 Posts Club
9 Second Best E/T
HFCOTM
Member ID
#11903
Messages
8,585
Reactions
7,551
Likes
402
City
Orlando
State
FL
Country
United States
Vehicle
2015 Dodge Challenger Hellcat
Thread Starter #337
Cabin temps for the most part seem to be unaffected. I think my overall AC system performance has been compromised by the fact that I have an improper refrigerant charge as a result of losing it at the track at the end of 2023. My redneck driveway repair got it functioning again but the system could definitely use a deep vacuum and proper weighted charge.

I want to say the proper recommendation is in this thread a few pages back. It's not all that much more than stock. Want to say around 22 or 23oz?
I did 28-29 of 1234yf. Cold as ice. Well worth the $200. Included evacuation and refill with new refrigerant
 


fubar569

1000 Posts Club
Founding Member
9 Second Best E/T
Member ID
#1073
Messages
1,419
Reactions
2,080
Likes
162
City
Bradford
State
PA
Country
United States
Vehicle
2018 Charger Hellcat
I did 28-29 of 1234yf. Cold as ice. Well worth the $200. Included evacuation and refill with new refrigerant
Yeah. What that guy said.

My math is friggin horrible.
 


OP
U

Unholy707

8000 Posts Club
9 Second Best E/T
HFCOTM
Member ID
#11903
Messages
8,585
Reactions
7,551
Likes
402
City
Orlando
State
FL
Country
United States
Vehicle
2015 Dodge Challenger Hellcat
Thread Starter #339
The pag oil in 1234yf is different than the cheap stuff. You risk seals going bad in your compressor. I’m still on my stock compressor, 60k miles and it’s a 2015. Come to think of it only part I’ve had to replace that’s gone bad is the battery. Solid car
 


Member ID
#23928
Messages
20
Reactions
19
Likes
2
City
Orlando
State
FL
Country
United States
Vehicle
2022 Charger RE WB
Does anyone have any good pics of where/how they mounted the bypass? I am going to plumb it where coolant is either flowing through the HX or the chiller. I have the aux tank and chiller mounted. I just need to run the labyrinth of lines. Better instructions would really help to speed things up.
 




Top